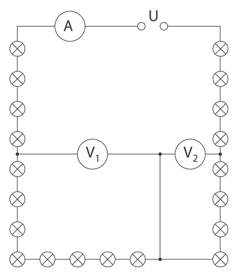
LI joonis