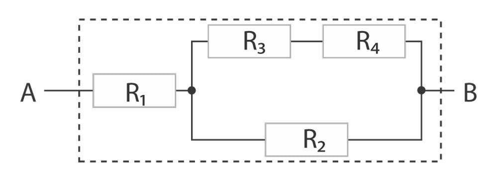
KÜTTEKEHA joonis