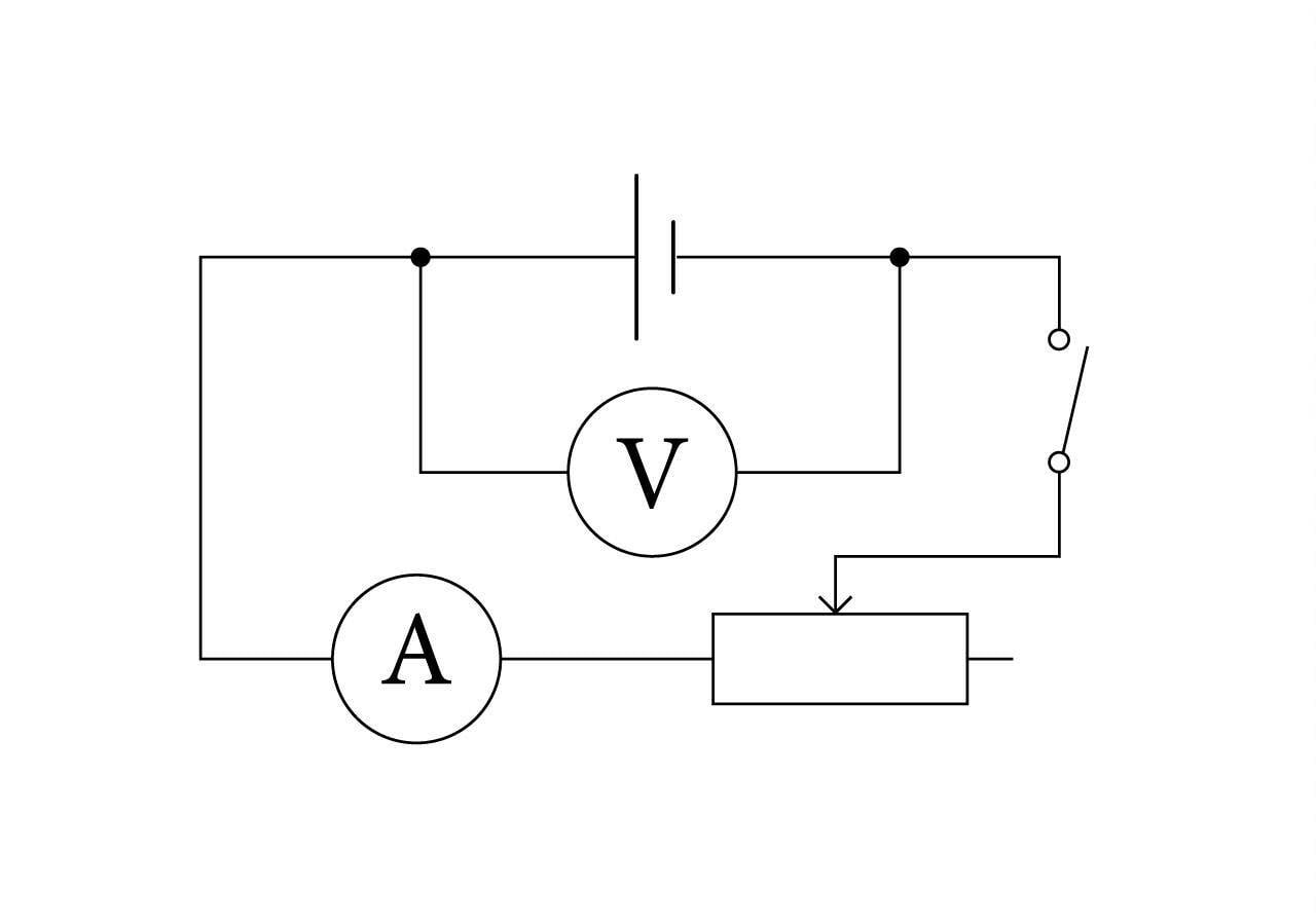
Klemmpinge mõõtmise vooluringi skeem